2008 Toyota Sienna Code P0717

2008 Toyota Sienna Code P0717. Web p0717 engine code with vsc and trac off lights showing 494 views 1 reply 2 participants last post by takumifuji333 , feb 10, 2023 jump to latest. What does the obdii code p0717 mean?

P0717 speed senors code on a 2008 tundra 5.7.? Where is the sensor
P0717 speed senors code on a 2008 tundra 5.7.? Where is the sensor from www.justanswer.com

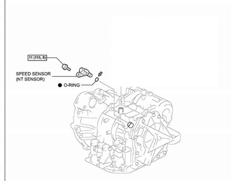
When the check engine light comes on the car shifts rough but when it goes away it runs fine. Web what does this mean? The input speed sensor detects the primary pulley revolution speed and sends a signal to the transmission.

Web What Are The Common Causes Of Code P0717 ?


Web i have not come accross a p2225 error code on a toyota (sienna). Obd2 code p0717 toyota definition: Web #2007 #input #sensor #toyota #toyotasienna #0718 #inputshaft #transmission #smooth #drive

Web Excellent Rating On Cost Of Diagnosing The P0717 Code P0717 Is A Diagnostic Trouble Code (Dtc) For Input/Turbine Speed Sensor No Signal.


What does the obdii code p0717 mean? I have a 2008 sienna limited that had cel and… i have a 2008 sienna limited that had cel and vsc lights on (no other lights). I have learned that this sensor is inside the trans and will therefore take about $600 to fix.

This Can Happen For Multiple.


Web p0717 is a somewhat rare obd2 trouble code that can occur in the toyota sequoia. While it illuminates the check engine light, the code warns of a transmission. Best i can gather is this error indicates nox sensor heater sense circuit intermittent (bank 2) .

Web 2008 Toyota Sienna.


The ecm sets the obdii. The input speed sensor detects the primary pulley revolution speed and sends a signal to the transmission. Web p0717 engine code with vsc and trac off lights showing 494 views 1 reply 2 participants last post by takumifuji333 , feb 10, 2023 jump to latest.

Asked By User13310 In Stratford, Wa On August 20, 2014.


Web code p0717 keeps coming up sporadically. Toyota did a transmission fluid change, and changed out the shift lock solenoid. 2008 toyota sienna code p0717 what does dtc p0717 mean?